铁磁谐振频发?正广电智能消谐方案助您实现全类型、全电压域防护
在66kV及以下中性点不直接接地的电网中,铁磁谐振是一种常见却又危害巨大的现象。它往往由电压互感器等电感设备与系统对地电容在特定条件下共同激发,导致系统出现谐振过电压,引发PT保险熔断、互感器烧毁甚至避雷器炸裂等事故。
铁磁谐振过电压的工作原理图
铁磁谐振有哪些类型?
基波谐振:一相电压降低,另两相电压异常升高;
分频谐振:三相电压同时升高并低频波动;
高频谐振:三相电压均超过线电压,危害极大。
如何有效治理谐振?
目前常用的治理方式主要包括:
二次消谐:在PT开口三角绕组接入微机消谐装置,通过电阻调节抑制谐振;
一次消谐:在PT中性点串接消谐电阻,限制激磁电流,防止铁芯饱和。
然而,不同类型的电压互感器需匹配不同的消谐策略:
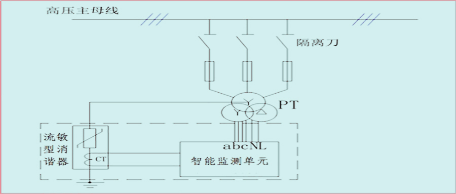
全绝缘PT可采用一次消谐措施,如流敏型智能消谐装置,利用PTC材料在谐振时迅速转为高阻状态,快速消除过电压;
电压互感器流敏型智能消谐装置一次原理图
半绝缘PT因其中性点绝缘强度较低,不宜直接串接一次消谐器,更适合采用检测饱和电流型微机消谐装置,通过监测PT饱和电流提前判断并抑制谐振。
检测饱和电流型微机消谐装置一次原理图
正广电智能消谐方案
正广电公司依据国家电网与行业标准,开发出两类针对性装置:
KLMP流敏型智能消谐装置:适用于全绝缘PT,物理特性消谐,响应迅速;
KLMP检测饱和电流型微机消谐装置:适用于半绝缘PT,以饱和电流为判据,智能投切电阻。
这两种装置均能实现全电压域、全类型覆盖,有效提升电网安全运行水平。
如果您正被电网铁磁谐振问题困扰。欢迎关注正广电微信公众号,随时与我们联系,帮您解决谐振难题!
相关资讯
同类文章排行
- 铁磁谐振频发?正广电智能消谐方案助您实现全类型、全电压域防护
- 告别铁磁谐振!智能消谐装置为电网稳定运行注入“强心剂”
- 毫秒级响应!正广电PTC主动消谐装置破解铁磁谐振难题
- 剩磁对变压器合闸涌流测试方法有何影响?
- 警惕“恢复性涌流”:换流变零差保护的误动风险解析
- 让差动保护不再误动|正广电为您解决恢复性涌流困扰,保障电网无忧运行
- 青藏直流二期扩建工程站系统调试完成,电力输送能力实现历史性跨越
- 励磁涌流如何影响换流变压器的饱和保护?
- 换流变压器励磁涌流五大特殊性分析
- 金上—湖北±800千伏特高压直流输电工程启动双极低端系统调试
最新资讯文章
您的浏览历史
